Loading...

KYN66-40.5铠装移开式金属封闭开关设备

产品描述


一、主题内容与适用范围


1、主题内容
本说明书规定了KYN66-40.5型铠装移开式交流金属封闭开关设备(以下简称开关柜)的技术数据,结构概况,工作原理,安装基础尺寸,运输保管及运行检修等方面的注意事项,作为用户选型和使用的依据。
2、适用范围
本说明书适用于KYN66-40.5型真空开关柜

二、产品用途

本产品符合GB3906-91《3~35kV交流金属封闭开关设备》及DL/T404-1997《户内交流高压开关柜订货技术条件》的有关要求。适用于40.5kV交流三相50Hz单母线电力系统中,做为接受和分配电能之用,本产品为户内使用。

三、使用环境

1、周围空气温度:上限:40℃;下限:-10℃
2、海拔:不大于1000m。若大于1000m,订货时需特殊说明。
3、湿度及污秽:相对日平均值不大于95%、月平均值不大于90%。如在高湿期内温度急降时允许产生凝露,或开关柜在GB3906-91附录E规定的1级条件使用,需在订货时说明。
4、开关柜允许在8级地震烈度地区使用。
5、周围空气不受腐蚀性气体、水蒸汽明显污染。
6、无经常性剧烈振动。

四、产品系列和主要规格

1、本产品系列可分为标准型(机械寿命1万次)和可频繁操作型(机械寿命12万次)。
2、全型号的组成


 

3、开关柜主回路方案见表1;表2。
 


五、名词解释

1、可移开部件在开关柜内的状态
(1)锁定状态:锁定状态是可移开部件在柜内的一种稳定状态,在这种状态时,可移开部件上安装的断路器可以进行合闸或分闸操作;推进机构的摇把插口被封闭,可移开部件不能移动。可移开部件的锁定状态只能在工作位置和试验位置实现。锁定状态的实现和解除,都是通过锁定机构及联锁实现的。在锁定位置,锁定机构实现对小车的锁定或解除的同时,其联锁机构完成对推进机构摇把插孔的封闭或打开。
(2)移动状态;移动状态是可移开部件在柜内的一种暂时状态,在这种状态下,可移开部件上安装的断路器不能进行操作,锁定机构解除对小车的锁定﹔推进机构摇把插口打开,可移开部件可以在柜内的试验位置和工作位置之间移动。
2、可移开部件在开关柜内的位置
(1)锁定位置
(a)工作位置:这是可移开部件的一种锁定状态。在工作位置,开关柜的主回路接通,辅助回路也接通。
(b)试验位置:这是可移开部件的另一种锁定状态。在试验位置,开关柜的辅助回路接通,但主回路断开。
(2)暂停位置:这是移动状态和锁定状态之间的一个位置,推进过程中在此位置应插好二次插头,如不插二次插头小 车无法进入锁定状态。

六、技术参数

1、开关柜技术参数见表3


 

2、真空断路器技术参数见表4、表5。


 

3、电流互感器主要技术参数见表6;表7
 


4、电压互感器主要技术参数见表8、表9


 

5、HY5WZ2型避雷器技术参数


 

6、SC8-50/35型干式变压器技术参数


 

7、熔断器技术参数见表10、表11。


 

8、JN12-40.5型接地开关主要技术参数

 

七、结构简述

本型开关柜是按照GB3906-91中规定的铠装移开式设计、制造的。柜体防护等级为IP20。开关柜主要由柜体和可移开部件(简称小车)两部分组成,柜体结构外形见图1,断路器小车结构外形见图2,电压互感器小车外形见图3。
1、柜体
KYN66-40.5型开关柜是由角钢和金属薄钢板焊接而成,柜内用接地的金属隔板按功能分割成四个独立隔室,即小车室、主母线室、电缆室和继电器室。其中主母线室和电缆室为对称结构,主母线可置于柜后上室,也可置于柜后下室,用户可根据需要灵活运用。柜体采用复合绝缘,复合绝缘时空气距离≥220mm。本型开关柜上进出线内部布置见图4,电缆进出线内部布置见图5。
小车室和主母线室顶部均设有压力释放装置,当柜内由于意外原因压力增大时,压力释放装置上的盖板将自动打开,使压力气体定向排放,以保证操作人员和设备的安全。

  

小车室的底部设有小车轨道,供小车在柜内运动。小车室左右两侧设有开合主回路遮挡帘板的机构和小车横向限位装置。如果开关柜设有接地开关。接地开关的操作机构及其机构联锁设在小车室右侧。
小车室与主母线室和电缆室的隔板上安装有电流互感器与触头盒合为一体的主回路静触头盒。触头盒既保证了各功能小室的隔离,同时也做为静触头的支撑件。当小车不在柜内时,主回路静触头由接地薄钢板制成的活动帘子板盖住,保证在小车室工作的人员安全。当小车进入时,活动帘板自动打开,动静触头顺利接通。小车前盖板与柜体前门合为一体,当小车退出柜外时,活动帘板将作为柜外壳的一部分。
主母线室内安装三相70×4的圆管形母线。各开关柜主母线室经绝缘套管贯通﹐运行时各柜的主母线室之间是隔开的,可以避免一个间隔出现意外,祸及其他开关柜的扩展性事故发生。
电缆室内根据主回路方案的需要,可以安装电流互感器、接地开关、带电显示装置。由于此柜柜型体积较小,因此电缆头不能在本柜内安装,只能置于电缆沟内。电缆分开后穿过绝缘套管进入本柜电缆室。
继电器室内设有继电器安装板,可安装凸出安装的各种继电器,继电器室门上可安装各种计量仪表、操作开关、信号装置、嵌入式继电器或各类综合保护装置等。继电器室顶部是小母线室,小母线室内设有用于固定6mm直径黄铜棍的小母线端子。单层布置时最多可设12条小母线;双层布置时最多可设24条小母线。继电器室下部安装二次端子排,端子排安装于固定在继电器室底板上的安装支架上。如安装JH5型接线端子,最多可安装110个。小母线室的后面是二次电缆室。由于柜体体积较小,在本柜无法设计二次电缆进出孔,二次电缆是统一通过专设的二次电缆柜爬到柜顶,通过二次电缆室到达各柜继电器室。一组排列的开关柜二次电缆室是贯穿的,二次电缆柜可置于一组排列开关柜的左端或右端,也可置于一组排列开关柜的中间。二次电缆柜置于两端时柜宽为300mm,置于中间时柜宽为400mm,柜深均与柜体同深。
专用计量柜为固定式结构,其内部结构及外形见图6。
母线桥为金属角钢焊接骨架,四周用金属薄钢板通过螺栓与骨架相连,构成金属封闭母线桥。面对面母线桥装配见图7-8;对墙母线桥装配见图9-10。
 


2、小车

根据小车上配置的主回路元件的不同,可以有断路器小车、电压互感器小车、隔离小车和所用变小车等。同规格小车保证互换。小车在柜内有试验位置和工作位置两个锁定状态。小车的推进(退出)采用蜗轮副省力机构,操作轻便、灵活。小车进出柜时,需要使用专用附加轨道。
3、联锁
本型开关柜设计了可靠的“五防”闭锁系统。
(1)推进机构与断路器之间的联锁
为防止在断路器关合状态下推拉小车而造成带负荷推拉小车的恶性事故发生,开关柜小车上设有机械联锁。


 

a.当小车处于工作位置或试验位置,小车锁定机构手柄转动到锁定位置,使小车定位轴插入柜体横向锁定块的锁孔内,同时推进机构摇把插孔被遮挡。若断路器合闸,断路器操动机构输出大轴的拐臂阻挡联杆向上运动,使小车锁定机构手柄无法移动,确保小车只能处于锁定状态。只有当断路器处于分闸状态,小车锁定机构手柄才能转动,当手柄转至移动位置时,推进机构摇把插孔被完全打开,小车才可以运动。防止了带负荷推拉小车。
b.当小车未进入锁定位置或推进摇把未及时拔出时,小车锁定机构手柄无法从移动位置转为锁定位置,同时,小车的机械联锁通过断路器内部机械联锁挡住断路器的合闸机构,使电动或手动合闸均无法进行。从而保证了运行的安全性。
 


此外,在有可靠机械联锁的同时还有电气联锁作为后备闭锁,小车位置的行程开关接点接入断路器的合闸回路,小车只有在锁定位置才能接通合闸回路。
(2)小车与接地开关之间的联锁
本型开关柜设计为小车前盖板与柜体前门合为一体,当小车在柜内时,小车前盖板挡住了接地开关操作手柄的插入孔,因此要想合接地开关时小车必须移出柜外,防止了带电合接地开关﹔接地开关闭合的同时机械联锁块挡住小车运行轨道,使小车无法进入柜内,防止接地开关处于合闸状态送电的误操作发生。
(3)二次插头和小车锁定机构之间的联锁
如果小车二次插头不插好,小车的锁定机构将无法转到锁定位置,使小车在工作位置(试验位置)无法锁定。如若想拔下二次插头,只有在小车退到试验位置后,将小车锁定机构手柄转至暂停位置时才可进行操作。
(4)隔离小车的联锁
由于隔离小车没有分断、关合负荷电流的能力,为了避免隔离小车在相关断路器没有分闸的情况下推拉,在小车前盖板上装一把电磁锁,电磁锁锁住与小车锁定机构手柄一起联动的圆盘,只有电磁锁有电(通常电源由相关断路器的常闭辅助接点控制),锁被打开,锁舌退出,小车锁定机构手柄才能转动,解除小车锁定并打开推进机构的摇把插孔。
(5)柜后门(进线室或电缆室相对应的门)与接地开关及断路器间联锁
断路器柜柜后门安装一行程开关及一把电磁锁,行程开关的常开接点断开断路器的合闸回路,只有后门完全关好后断路器才能合闸,若为出线柜,接地开关上的辅助开关常开接点控制电磁锁电源,只有接地开关关合后电磁锁通电,后门才能打开,若为进线柜,显示器强制闭锁接点控制电磁锁电源,只有进线侧没有电压时电磁锁通电,后门才能打开。
隔离柜柜后门只安装一把电磁锁,若为出线柜,接地开关上的辅助开关常开接点控制电磁锁电源,只有接地开关关合后电磁锁通电,后门才能打开,若为进线柜,显示器强制闭锁接点控制电磁锁电源,只有进线侧没电压时电磁锁通电,后门才能打开。


4、开柜的二次接线
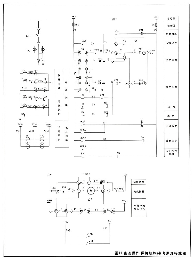
用户可根据自己的系统实际情况选择控制电源和配置断路器的控制电路,并设计相应开关柜二次原理图。图11是断路器柜的控制及保护原理参考图,图12是相应的断路器内部接线图,供用户设计时参考。图中的小车位置开关安装于小车室顶盖板上,反映小车在柜内的位置,接点为两常开(或一开一闭;或两常闭)。图13和图14是电压互感器和专用计量柜的原理接线参考图。图15为所用变柜原理接线参考图。


八、安装调整


1、开关柜安装前,首先应检查安装基础是否合格(符合《建筑电气安装工程质量检查评定标准》GBJ303-88的要求。)开关柜基础槽钢布置及电缆开孔请参见图16、图17,二次电缆柜基础开孔见图18。
2、开关柜的基础施工一般应当分两次浇铺混凝土,第一次固定电缆槽钢,第二次铺设地面,一般铺设厚度为60mm,地面应低于基础槽钢的上平面3~6mm。
3、开关柜如果是单面排列,柜前走廊以大于2.5m为宜,开关柜如果是两列对面排列,柜间走廊以不小于3.5m为宜。
4、拆箱后,应首先保管好随箱文件资料,并根据装箱单检查随柜备件、附件是否齐全,并作相关记录,然后检查开关柜有没有明显的损坏。如没有问题,可吊装就位进入安装。
5、开关柜并列后应与相临柜靠紧,用螺栓固定在一起。柜底部圆孔应与基础槽钢焊牢。
6、一般情况柜体的并列安装应与主母线的安装交替进行,这样可以避免柜体安装后,安装主母线困难。
7、柜体并列安装后,应把各柜间的主接地母线,连接在一起,连接处在柜后底部,并在适当的地方与建筑预设的接地网相连接。
8、打开柜前小母线室顶盖板,用随柜带来的黄铜棒将各柜的小母线一一对应连接好。
9、推车前首先应认真检查主、辅回路动静触头是否有损伤。然后擦净触点处的防锈油,涂上干净的润滑脂。再检查接地触头是否完好,并涂上少许润滑脂。然后检查推进机构及其联锁是否运转良好,并适当润滑。


 

10、对小车上的断路器等主回路元件进行检查。具体的方法请参阅相关的技术文件。
11、此时可将小车缓缓推入柜内,推进时要注意触头的插接情况和小车的定位情况,以及车两侧与挑帘子板拐臂的对应关系,小车试推后,应退回试验位置进行电气试验。根据原理接线图,检查开关柜各部分电器是否正常(控制性能),动作是否可靠。

九、使用与维护

开关柜在运行中,运行人员除应遵守有关规程外,还应注意以下问题。
1、操作程序
虽然开关柜设计有保证开关柜各部分操作程序正确的联锁,但是操作人员对开关柜各部分的投入和退出仍应严格按操作规程和本技术文件的要求进行,不应随意操作,更不应在操作受阻时,不加分析强行操作。否则,容易造成设备损坏,甚至引起事故。
(1)无接地开关的断路器柜的操作
a.将断路器可移开部件装入柜体
断路器小车准备由柜外推入柜内前,应认真检查断路器是否完好,有没有漏装部件,有无工具等杂物放在机构箱或开关内,确认无问题后将小车附加轨道置于柜前,再将小车沿轨道平稳推入柜体。小车推进受阻时(这时小车前盖板距柜体有260mm距离),小车处于试验位置,将锁定机构手柄转到暂停位置,将辅助回路插头插好后,再将小车锁定机构手柄转至锁定位置锁定小车,在主回路未接通的情况下对开关柜进行电气试验。若想继续进行操作,首先将小车锁定机构手柄转至移动位置,使小车进入移动状态,这时推进机构摇把插孔打开,插入摇把顺时针转动,直至小车前盖板与柜体相接触,小车到达工作位置,将小车锁定机构手柄转至锁定状态锁定小车。此时,主回路接通,断路器已处于准备状态,可通过控制回路对其进行合、分操作。


 

若准备将小车从工作位置退出,首先应确认断路器已处于分闸状态。然后转动小车锁定机构手柄至移动位置,小车进入移动状态。插入摇把,逆时针转动,小车退出260mm后,小车回到试验位置,此时,主回路线已经完全断开。如将锁定机构手柄转到锁定位置,小车在试验位置锁定。
b.从柜体中取出小车
若准备从柜体内试验位置取出小车,应先将附加轨道放在柜前最适当的位置,确定断路器处于分闸状态,将小车锁定机构手柄转至暂停位置,摘除辅助回路插头,再用力拉出小车。
(2)有接地开关的断路器的操作
带接地开关的断路器柜将断路器小车推入柜内和从柜内取出小车的程序与不带接地开关的断路器柜的操作程序完全相同,仅在小车柜内移动过程和操作接地开关过程中要注意如下问题:
a.小车在柜内操作
当准备将小车推入工作位置时,除了要遵守上述中提请注意的诸项要求外,还应确认接地开关处于分开状态,否则下一步操作将无法完成。
b.合接地开关操作
若要合接地开关,首行将小车退出柜外,插入接地开关操作手把,方可进行合闸操作,合分接地开关必须到位,不应在操作过程中间停止。
(3)一般隔离柜的操作


 

隔离小车本不具备接通和断开负荷电流的能力,因此在负荷的情况下推拉小车是极其危险的,因此在进行隔离小车柜内操作时,必须有保证首先断开与之相配合的断路器,在确认断路器确已分闸后,再进行隔离柜从试验(储存)位置进入工作位置,或从工作位置退出的操作。
(4)就地操作断路器
断路器小车面板上有断路器的分合操作钮,一般情况合闸操作钮是供小车在试验位置做试验用的。小车在工作位置时合闸按钮一般不起作用(如果需要在工作位置仍然使用断路器机构箱的按钮直接合闸,请在定货时特殊说明)。小车断路器的分闸钮是做为事故状态的紧急分闸时使用的,正常情况下在工作位置不要使用,以避免控制回路逻辑混乱。合、分按钮平时是用防护罩盖住的,紧急情况用工具侧向敲击,使其从根部切槽处断开,就可以进行操作。
2、作用联锁的注意事项
(1)本产品的联锁功能是以机械联锁为主,辅之以电气联锁实现其功能的,功能上能实现开关柜“五防”闭锁的要求。但是操作人员不应因此忽视操作规程的要求,不按规程规定的要求,遵守“二票三制”的制度。只有组织手段与技术手段相结合才能有效发挥联锁装置的保障作用,防止误操作事故的发生。
(2)本产品的联锁功能的投入与解除,大部分是在正常操作过程中同时实现的,不需要增加额外的操作步骤。如发现操作受阻(如操作阻力突然增大)应首先检查是否有误操作的可能,而不应强行操作以致损坏设备,甚至导致误操作事故的发生。
3、开关柜的检修应除按有关规程要求进行外,建议用户特别注意以下几点:


 

(1)定期按真空断路器的安装使用说明书的要求,检查断路器的情况,并进行必要的调整。
(2)检查小车推进机构及其联锁的情况,使其满足本说明书有关要求。
(3)检查主回路触头的情况,擦除动、静触头上陈旧油脂,察看触头有无损伤;弹簧力有无明显变化﹔有无因温度过高引起镀层异常氧化现象,如有以上情况,应及时处理。
(4)检查辅助回路触头有无异常情况,并进行必要的修整。
(5)检查接地回路各部分的情况,如接地触头、主接地线及过门接地线等,保证其电连续性。
(6)检查各部分紧固件,如有松动,应及时紧固。

十、运输与储存

1、开关柜的长途运输,建议不采用公路运输的方式,特别不要长距离在三级以下公路运输。
2、开关柜在包装底板上固定时可采用滚运。无包装开关柜应采用吊运或铲运。
3、开关柜(即使是带外包装的)不宜长期在户外储放。较长时期不用的开关柜,应储放在干燥,通风的户内仓库中。开关柜的外包装有效期一般不超过一年。
 
十一、产品成套性

产品在交货时应具备以下文件和附件:
1、产品的合格证明书
2、产品的安装使用说明书
3、装箱单
4、产品的工程设计资料(包括系统图,二次接线图,设备明细表等)
5、断路器储能摇把、小车推进摇把、接地开关操作摇把及小车附加轨道(建议合同量10台以下,每5台配一套;超过10台,加一套)
6、开关柜内主要元件的安装使用说明书等技术文件和附件